详情描述
设备介绍
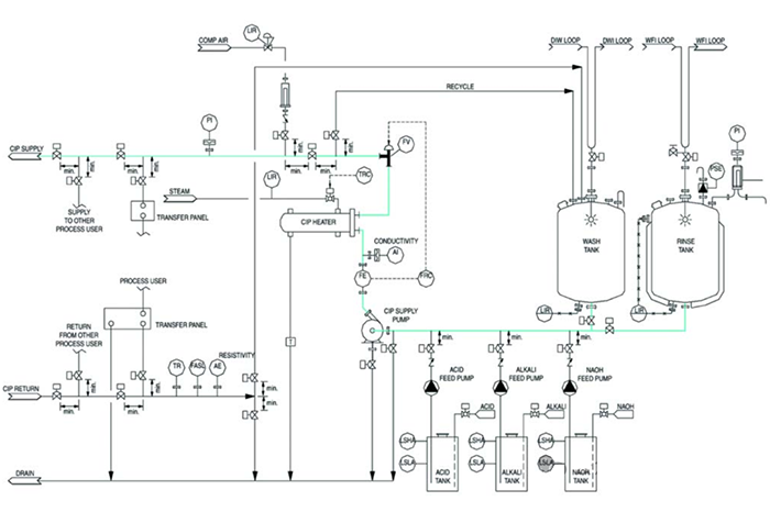
CIP系统是啤酒厂配置中必不可少的用于清洗的设备,糖化CIP系统是在麦汁糖化车间配置的独立清洗系统,糖化CIP清洗过程一般为清水冲洗、碱液冲洗。通过合理全面的CIP系统配置可有效对酿造的罐体、管道等进行清洗和杀菌,保证酿造过程的卫生和啤酒质量的稳定。
性能特点
内部洁净度:整体酸洗和钝化处理,内部板面粗糙度在0.2〜0.4μm;
保温:环保型高密度岩棉或硅酸铝; 厚度:上锥、直壁、下锥均为100mm;
加热方式:板式换热器体外循环/直接供应;
碱液出口:在罐壁底部,防止产生旋涡和抽出沉淀物;
溢流口:侧壁顶部装有溢流口,连接不锈钢管道延伸到地面;
呼吸口:防止罐体产生负压;
温度控制:配置温度盲管及高精度的PT100温度传感器,精度±0.1度;
液位:罐体装有液位显示装置,可清楚测量罐内水量;
人孔:顶部不锈钢人孔门;
支腿:4条304不锈钢支腿,并带有支腿横撑,增加罐体稳定性;
地脚:配有可上下调节的不锈钢地脚;
罐体加工工艺:罐体全部采用激光下料,板边光滑;环缝、纵缝全部自动氩气保护焊接,焊缝均匀、严密;米勒板采用自动冲压机冲压成型;管路采用管道自动焊接,单面焊接,双面成型,并进行酸洗处理。焊缝表面光滑,无卫生死角;
板材:选用太原钢铁优质304或316L不锈钢板材,耐酸耐腐蚀,耐长期高温工况,质量可靠有保障;
清洗装置:配备自动清洗CIP装置和高质量旋转洗球,罐内无死角,保证酿造过程的卫生;
管道:使用国内知名品牌溧阳四方卫生级管道,抛光精度高,无卫生死角;
阀门:使用优质不锈钢蝶阀、角座阀、隔膜阀,配备进口阀芯,耐酸碱腐蚀,耐高低温,卫生等级高;
焊接:整体焊接使用全自动激光焊接设备,100%氩气保护,焊接均匀,不易碳化,氧化程度低,不易产生铁素体沉淀;焊缝平整,熔合度高,无气泡,无砂眼,保证高标准卫生级别;
抛光:所有焊缝经多级机械抛光和酸洗钝化处理,内表面抛光度低于0.4微米,符合高要求卫生物料使用;
泵:选用国内知名品牌溧阳四方卫生级离心泵,运行稳定,洁净卫生。
核心部件
CIP系统采用全自动化控制,包含气动阀门、液位检测、流量检测、PH检测等传感器,可设置清洗程序自动运行。
大扬程CIP泵和低阻力管道设计保证末端清洗装置最佳工作压力以达到最优清洗效果。
高效板式换热器实现快速加热,保证CIP清洗液所需温度。
应用场景
中大型啤酒厂:年产2千吨至万吨级全套半自动/自动化精酿啤酒生产线,满足规模化生产需求。



